本 社〒590-0531 大阪府泉南市岡田3丁目9-4
TEL 072-483-2533 FAX 072-483-4391

トップ > 製品紹介 > 旋盤用手締めチャック・旋盤用プレート> スクロールチャック> 【普通型】2ツ爪・分割爪タイプ

TC 普通型2ツ爪スクロールチャック

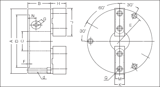
寸法図

寸法表
型 式NoABCD(H6)EFHJKLMNGQ爪ボルトd取付ボルト図面
TC-165F261676644(46)13014754475309.52224.6104-M10×203-M10×70
TC-190F271927554(58)15517254688309.52527.2114-M10×223-M10×80
TC-230F292338270(75)19021065510035122829.5124-M12×253-M12×90
TC-273F2102748690(100)23025065311035122830.0124-M12×253-M12×95
C寸法( )内は追加工可能最大穴径

仕 様
型 式最大ハンドルトルク
N・m(kgf・m)
最大静的把握力
kN(kgf)
把握範囲 ※1適合生爪質量 kg
(使用重量)
GD²
N・m²(kgf・m²)
許容最高回転数
min⁻¹(r.p.m)
外径 φmm内径 φmm
TC-165F273.6(7.5)21(2,110)3~15652~148STJ-165F281.28(0.13)1,850
TC-190F278.5(8.0)21(2,130)3~18457~174STJ-190F2122.45(0.25)1,600
TC-230F293.2(9.5)25(2,530)4~21464~202STJ-230F2195.69(0.58)1,400
TC-273F2117.7(12)37(3,730)10~24672~230STJ-273F22711.2(1.14)1,200
※1 把握範囲は生爪成形して把握できる範囲の目安です。1種類の爪で全て把握できるわけではありません。

TC型対応の爪

標準付属

下爪(MJ)マスタージョウ ※画像は3ツ爪タイプ
硬爪、生爪はボルトで容易に装着できます。

硬爪(HTJ)ハードトップジョウ ※画像は3ツ爪タイプ
方向を変えて取り付けることで内爪、外爪どちらにも使用できます。

生爪(STJ) ※画像は3ツ爪タイプ
生爪成形により高精度が得られ、把握による傷がつきません。

ページのトップへ戻る